Wiring For Two Way Light Switch 3 Way Switch Wiring Diagram
3 way switch wiring diagram. Switch fan ceiling light way install control wiring diagram dimmer speed circuit window f18 diychatroom. Feit instructions
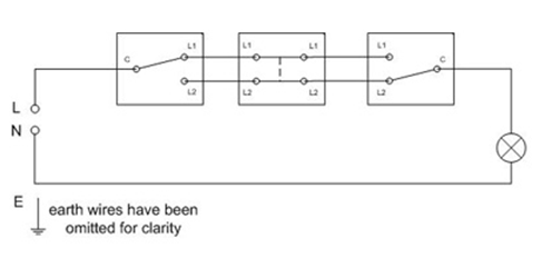
Wiring for Two Way Light Switch
Download PDF
3 way switch wiring diagram


Connecting two lights & two switches together. Switch light power diynot. Feit instructions. Take power from a light switch
Connecting two lights & two switches together | DIYnot Forums
How To Install Ceiling Fan And Light/fan Control Switch On 3-way
How to Wire a 3 Way Switch with Multiple Lights? - Gadget Infinity
31 Common Household Circuit Wirings You Can Use For Your Home (3)
FEIT Wifi Smart Dimmer Switch Install - Help Needed - DoItYourself.com

Comments
Post a Comment